KF941X Electric Open Gate Valve
Product overview
Product model: KF941X
Nominal diameter: DN400~2800mm
Nominal pressure: 0.05-0.25MPa
Applicable temperature: 200℃ (silicone rubber) 300℃ (fluorine rubber)
Drive mode: electric, hydraulic, pneumatic, electro-hydraulic
Applicable medium: air, heating furnace gas, blast furnace gas, converter gas, flue gas, etc
Body material: carbon steel, rubber, chrome steel
Design standard: API 600, API6D, ASME B16.34, GB/T 12234
Structure length: ASME B16.10, API6D, GB/T 12221
Connection standard: ASME B16.5, ASME B16.47, GB/T 9113, JB/T 79, HG/T 20592
Pressure test: API 598, GB/T 13927, JB/T 9092
Pressure-temperature rating: ASME B16.34, GB/T 12224
KF941X Electric Open Gate Valve structural features and uses
KF941X Electric Open Gate Valve produced and sold by Baigang valve group is open design structure, with light weight, easy to
maintain (seal ring replacement, electric device maintenance inspection,
replacement, local maintenance of the valve are external, does not
affect the normal operation of the valve), the valve movement process ,
Intuitive switch state, after opening and closing inspection completed
state is very convenient, with closed irreplaceable advantages, the
disadvantage is that when opening and closing a small amount of gas
leakage. The valve is designed to absorb the foreign board valve
floating valve plate advanced technology; compacting gear with gear
ring, gear, trapezoidal thread, screw synchronization two-way
compression. The advantages of synchronous compression of the left and
right screw thread trapezoidal thread screws are: small starting torque,
good self-locking of the screw thread, reliable movement of the valve
seal with a pin gear transmission mechanism, which is hard to fouling
and meets dusty conditions with poor lubrication conditions, Work
environment harsh occasions use.
The valve can be configured on the ground explosion-proof control
cabinet, the implementation of on-site control and remote connection
with the PLC system control, design distance of 10 meters.
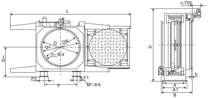
KF941X Electric Open Gate Valve main dimensions

| DN | D | D1 | B | b | nd | H | H1 | L | A | A1 | F | F1 | F2 | MK | Electric power (kw) | Quality (kg) | ||||
| Go board | Plywood | PN0.05 | PN0.10 | PN0.15 | PN0.25 | |||||||||||||||
| 400 | 540 | 495 | 600 | 18 | 16-22 | 1300 | 350 | 2210 | 600 | 680 | 500 | 160 | 220 | 4-23 | 1.1 | 1.5 | 880 | 960 | ||
| 450 | 595 | 550 | 600 | 18 | 16-22 | 1520 | 400 | 2400 | 600 | 680 | 500 | 160 | 220 | 4-23 | 1.1 | 1.5 | 980 | 1060 | ||
| 500 | 645 | 600 | 600 | 18 | 20-26 | 1600 | 450 | 2540 | 600 | 680 | 500 | 160 | 220 | 4-23 | 1.1 | 1.5 | 1050 | 1180 | ||
| 600 | 755 | 705 | 800 | 24 | 24-26 | 1750 | 500 | 2720 | 600 | 680 | 900 | 280 | 340 | 8-23 | 1.1 | 1.5 | 1150 | 1280 | ||
| 700 | 860 | 810 | 800 | 24 | 24-30 | 1884 | 720 | 2815 | 600 | 680 | 950 | 280 | 340 | 8-23 | 1.1 | 1.5 | 1210 | 1320 | ||
| 800 | 975 | 920 | 800 | 24 | 24-30 | 1970 | 800 | 3115 | 600 | 680 | 1045 | 280 | 340 | 8-23 | 1.5 | 1.5 | 1450 | 1600 | ||
| 900 | 1075 | 1020 | 800 | 24 | 24-30 | 2086 | 880 | 3640 | 600 | 680 | 1250 | 280 | 340 | 8-23 | 2.2 | 2.2 | 1840 | 2050 | ||
| 1000 | 1175 | 1120 | 800 | 24 | 28-30 | 2250 | 960 | 3940 | 820 | 910 | 1250 | 280 | 340 | 8-23 | 2.2 | 2.2 | 2180 | 2450 | ||
| 1200 | 1375 | 1320 | 1200 | 26 | 32-30 | 2837 | 1165 | 5930 | 1100 | 1180 | 1060 | 480 | 560 | 8-33 | 1.1 | 2.2 | 2600 | 2800 | ||
| 1400 | 1575 | 1520 | 1200 | 26 | 36-30 | 3057 | 1285 | 6530 | 1100 | 1220 | 1400 | 480 | 560 | 8-33 | 1.1 | 1.5 | 3250 | 3550 | ||
| 1600 | 1790 | 1730 | 1200 | 32 | 40-30 | 3257 | 1385 | 7130 | 1100 | 1180 | 1560 | 480 | 560 | 8-33 | 1.5 | 1.5 | 4350 | 4750 | ||
| 1800 | 1990 | 1930 | 1400 | 32 | 44-30 | 3400 | 1428 | 7730 | 1100 | 1180 | 1750 | 230 | 560 | 8-33 | 2.2 | 2.2 | 5100 | 5600 | ||
| 2000 | 2190 | 2130 | 1400 | 32 | 48-30 | 4010 | 1850 | 8400 | 1200 | 1280 | 1800 | 230 | 560 | 8-33 | 2.2 | 2.2 | 5760 | 6250 | ||
| 2200 | 2405 | 2340 | 1600 | 32 | 52-30 | 4110 | 1950 | 9050 | 1200 | 1280 | 1900 | 230 | 560 | 8-33 | 2.2 | 2.2 | 7050 | 7750 | ||
| 2400 | 2605 | 2540 | 1600 | 32 | 56-33 | 4365 | 2050 | 9600 | 1200 | 1280 | 2360 | 230 | 560 | 8-33 | 2.2 | 2.2 | 8250 | 9050 | ||
| 2600 | 2805 | 2740 | 1800 | 34 | 60-33 | 4375 | 2141 | 8567 | 1340 | 1410 | 2332 | 300 | 600 | 8-36 | 2.2 | 2.2 | 9700 | 10500 | ||
| 2800 | 2960 | 3030 | 1800 | 36 | 64-36 | 4554 | 2280 | 8925 | 1340 | 1410 | 2532 | 300 | 600 | 8-36 | 2.2 | 2.2 | 12000 | 13200 | ||
Reminder:
All text, data and pictures in this article are for reference only.To see more details of the KF941X Electric Open Gate Valve performance parameters, structural dimension parameters, pricing, etc., or to request high quality printing samples, please Contact us.