Q367F固定蝸輪式焊接球閥
產品概況
產品型號:Q367F
公稱通徑:DN50~1200mm、NPS2"~48"
公稱壓力:PN1.6~4.2Mpa、Class150~2500LB
適用溫度:-29℃~150℃
驅動方式:電動、手動、蝸輪驅動、齒輪驅動等
設計制造標準:GB/T 12237-2007
結構長度標準:GB/T 12221-2005
承插焊標準:GB12224、ANSIB16.25
壓力溫度等級:GB/T 12224-2005
試驗檢驗標準:GB/T 13927-2008
Q367F固定蝸輪式焊接球閥產品特點:
1、防火結構設計:
百鋼閥門集團生產銷售的Q367F固定蝸輪式焊接球閥根據API607/BS6755規范,在閥門使用現場發生火災時,次級密封非金屬材料制作的密封圈在高溫下分解或破壞,此時初級金屬密封能夠迅速貼緊球體起到密封作用。雙級密封閥座結構設計,確保了閥門閥座防火的可靠性。
2、防靜電設計:
采用彈簧和小球靜電引出裝置,通過閥桿使球與閥體之間形成靜電通道,從而使球體與密封圈開關過程中摩擦產生的靜電通過閥體引到大地,防止靜電火花可能引起的火災或爆炸等危險。
3、密封的緊急救護及閥門的潤滑
閥座及閥桿密封件出現損傷而出現泄露時,可以通過注脂閥注入的密封脂達到瞬間密封的作用。閥門正常工作狀態下,可以通過注脂閥注入潤滑脂對閥桿和球面進行潤滑,使閥門啟閉更加靈活輕便。
4、閥座結構設計:
A.上下游均采用單活塞閥座:
具有雙阻塞/雙排放功能,能同時截斷來自上、下游的介質;具有自動泄壓功能:閥門閥腔滯留的介質由于溫度的升高,出現異常升壓時,閥座可自動泄壓(向壓力低的一端排放)。
B.上下游均采用雙活塞閥座:
具有雙阻塞功能,能同時截斷來自上、下游的介質;閥門閥腔滯留的介質不能實現自動泄放,需要在閥體上設置泄壓閥來定壓泄放閥腔的異常升壓。
C.上游采用單活塞閥座、下游采用雙活塞閥座:
具有雙阻塞功能,能同時截斷來自上、下游的介質;具有自動定向泄壓功能:閥門閥腔滯留的介質由于溫度的升高,出現異常升壓時,閥座可自動泄壓(向上游側排放)
5、驅動裝置安裝平臺的設置
符合ISO5211的閥門上法蘭的設計,通過借助支架和聯接套,便于安裝任何型式的驅動裝置。
6、加長閥桿:
對于埋地安裝的閥門,根據安裝和操作的需要,可對閥門的閥桿進行加長,加長閥桿的尺寸按客戶的要求。所有排污管、排氣管和緊急注脂裝置都相應加長,其他相關管道緊貼閥門的加長部位,將閥門排污閥、放空閥以及注脂閥接到地面安裝,以便對主閥進行定期維護,閥門表面按規范覆耐腐蝕瀝青、聚氨酯或者環氧樹脂等涂層,以適應埋地安裝使用工況。
7、加長閥蓋:
對于要求在低溫下工作的閥門,通過加長閥蓋,增加了閥體和閥桿密封區的距離,避免了溫度對密封的影響,加長的高度根據標準的規定,也可根據客戶的要求。
8、閥門結構:
閥門采用三體側裝鍛焊結構,消除了由于進口壓力推動球體與密封座形成的巨大密封負荷而造成過大的扭矩。球體表面光潔度達到鏡面,并使用鑲襯了具有良好自潤滑性的襯套,即使在較高的操作壓力下也能達到較小的啟閉力矩。
9、焊接結構特性:
左右體與中體的焊接采用典型的窄間隙埋弧多層焊接,焊接時采用的專用焊劑具有焊接時所需的載流和脫渣效果,焊層顆粒度較細,滿足高強韌性焊接金屬性能。焊接進行100%的超聲波檢測和硬度測試,確保焊縫的焊接質量。
10、有限元分析:
閥門殼體及內件經過精心設計,確保在各種工況下能可靠的工作;采用有限元分析法對閥門殼體強度、內件受力以及閥桿操作扭矩等進行模擬工況分析,為易出現問題和薄弱處進行優化,確保閥門性能優越。
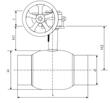
Q367F固定蝸輪式焊接球閥產品尺寸: PN16/PN20/CLASS150
| DN | NPS | L | H1 | H2 | W | Weight(kg) | Torque(N.M) | |||
| RF | WE | RJ | WE | RF/RJ | ||||||
| 50 | 2 | 178 | 216 | 191 | 99 | 210 | 300 | 22 | 25 | 42 |
| 65 | 2 1/2 | 191 | 241 | 203 | 110 | 215 | 350 | 30 | 35 | 68 |
| 80 | 3 | 203 | 283 | 216 | 120 | 225 | 400 | 35 | 40 | 92 |
| 100 | 4 | 229 | 305 | 241 | 148 | 255 | 650 | 48 | 95 | 145 |
| 150 | 6 | 394 | 457 | 406 | 218 | 237 | 460 | 190 | 230 | 210 |
| 200 | 8 | 457 | 521 | 470 | 260 | 290 | 600 | 250 | 295 | 625 |
| 250 | 10 | 533 | 559 | 546 | 292.5 | 323.5 | 600 | 400 | 430 | 835 |
| 300 | 12 | 610 | 635 | 622 | 327.5 | 359.5 | 750 | 550 | 620 | 1150 |
| 350 | 14 | 686 | 762 | 699 | 365 | 395 | 750 | 820 | 900 | 1560 |
| 400 | 16 | 762 | 838 | 775 | 437.5 | 436.5 | 750 | 1100 | 1220 | 2375 |
| 450 | 18 | 864 | 914 | 876 | 485 | 487.5 | 750 | 1400 | 1550 | 2850 |
| 500 | 20 | 914 | 991 | 927 | 522.5 | 525 | 750 | 1750 | 1950 | 3580 |
| 550 | 22 | 991 | 1092 | 1004 | 575.5 | 560 | 750 | 2200 | 2350 | 4275 |
| 600 | 24 | 1067 | 1143 | 1080 | 607.5 | 617.5 | 750 | 2800 | 3050 | 5650 |
| 650 | 26 | 1143 | 1245 | 1156 | 640 | 632.5 | 750 | 2900 | 3250 | 6520 |
| 700 | 28 | 1245 | 1346 | 1286 | 670 | 682.5 | 750 | 3400 | 3700 | 7380 |
| 750 | 30 | 1295 | 1397 | 1308 | 710 | 760 | 750 | 4800 | 5300 | 8380 |
| 800 | 32 | 1372 | 1524 | 1385 | 730 | 780 | 750 | 5500 | 6000 | 9370 |
| 850 | 34 | 1473 | 1626 | 1486 | 780 | 830 | 750 | 7650 | 8550 | 12065 |
| 900 | 36 | 1524 | 1727 | 1537 | 830 | 880 | 750 | 8865 | 9845 | 14760 |
| 1000 | 40 | 1753 | 1956 | 1985 | 875 | 920 | 750 | 12350 | 13560 | 18465 |
| 1050 | 42 | 1829 | 2083 | 2155 | 910 | 945 | 750 | 13250 | 14280 | 29210 |
| 1200 | 48 | 2032 | 2388 | 2418 | 1070 | 1085 | 750 | 20500 | 21800 | 44500 |
溫馨提示:
本文中所有文字、數據、圖片均只適用于參考。需要查看更多的Q367F固定蝸輪式焊接球閥性能參數、結構尺寸參數、價格等詳情,或要求高質量印刷樣本,請聯系我們。